尊龙凯时

尊龙凯时致力于知足“快速效劳 ,零缺陷 ,辅助研发”PCBA订购单需求。
获取报价
获取报价
工控PCBA组装
工控PCBA组装
Digital image acquisition and processing system PCB assembly

数字图像收罗处置惩罚系统PCBA组装

手艺参数

  • 32 个 I/O 输入和 64 个 I/O 输出

  • 2路光隔离RS232

  • 1个RS422接口和1个RS485接口

  • 48路16位同步200KSPS A/D转换

  • 1个光电隔离CAN接口 ,1个GPS授时

  • 内置实时时钟、电源监控和看门狗等。

  • 支持-40~85℃工业宽温应用

产品详情 数据表

主芯片组

Digital image acquisition and processing system chip

DSP TMS320C13B芯片一块 ,NVRAM 2M字节

  • 两个 FPGA LattICe LFXP6C 芯片

  • DSP芯片 2MB FLASH ,8MB SDRAM


手艺参数

  • 32 个 I/O 输入和 64 个 I/O 输出

  • 2路光隔离RS232

  • 1个RS422接口和1个RS485接口

  • 48路16位同步200KSPS A/D转换

  • 1个光电隔离CAN接口 ,1个GPS授时

  • 内置实时时钟、电源监控和看门狗等。

  • 支持-40~85℃工业宽温应用


电路原理图

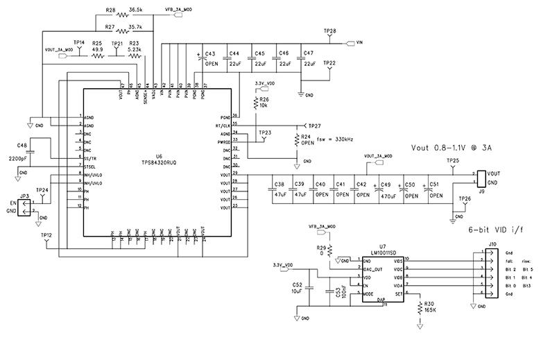
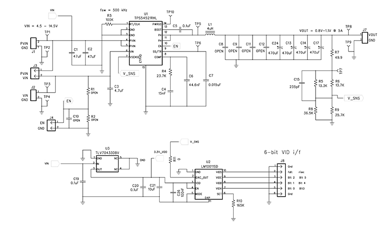
Digital image acquisition and processing system circuit diagram 1

Digital image acquisition and processing system circuit diagram 2

Digital image acquisition and processing system circuit diagram 3

数字图像收罗与处置惩罚系统PCBA先容

数字图像收罗处置惩罚系统PCBA可实现摄像头的高速图像收罗和存储 ,压缩并与PC串口通讯实现图像数据的传输 ,实现图像在PC上的处置惩罚和显示等。PCBA设计 数字图像收罗处置惩罚系统的模式接纳硬件收罗-软件处置惩罚模式。 图像经由采样和量化后 ,转换成数字图像输入并存储在帧存储器中。 图像由盘算机剖析以获得所需的效果。 数字图像收罗处置惩罚系统PCBA可应用于视频聚会、安防监控、交通收费、工业巡检、图像收罗等种种图像收罗、处置惩罚和剖析领域。


尊龙凯时提供数字图像收罗和处置惩罚系统 PCB 组装效劳。 这是一家具有资深行业履历的PCBA一站式组装工厂。 接待熟悉我们!


手艺参数

  • 32 个 I/O 输入和 64 个 I/O 输出

  • 2路光隔离RS232

  • 1个RS422接口和1个RS485接口

  • 48路16位同步200KSPS A/D转换

  • 1个光电隔离CAN接口 ,1个GPS授时

  • 内置实时时钟、电源监控和看门狗等。

  • 支持-40~85℃工业宽温应用

点击
然后
联系
网站地图